POMPA MOTORE ST 140 Pompa ST140

POMPA MOTORE ST 140 Pompa ST140

EAN:
Vedi prodotti simili

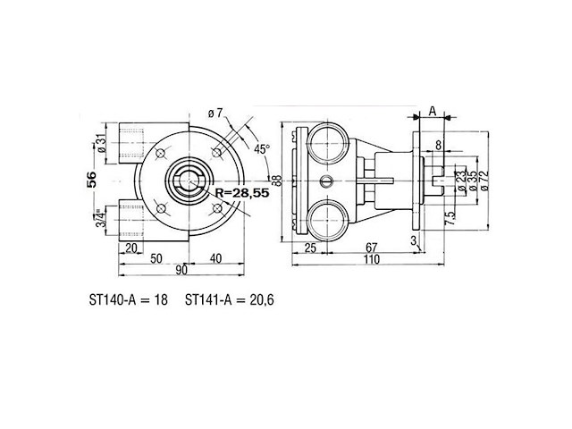
Nella tabella qui di seguito, troverete elencate, le eventuali varianti del prodotto e/o articoli correlati.Per acquistarli, ricercare il CODICE presente nella prima colonna GIRANTE JAB.1210-0001 JON.09-1027B/ Bocche da 3/4” portata It./min. 21/56. Per Motori Aifo BMW C PowerCT Marine Nanni Lehman VM Mercedes ecc.VARIANTI Codice Descrizione 120009 Girante di ricambio cod. 1206280 "

352.72 €

+Sped. 8.00 €
Tot: 360.72 €
Disponibilità: NOTAVAILABLE
Farmaweb srl
Farmaweb srl
iscritto dal 09/02/2024
63 recensioni
Go To top